JavaScript を有効にしてご利用下さい.
※赤字は休業日です
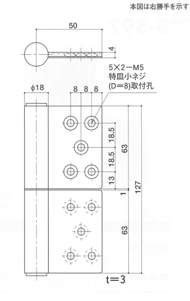
キンマツ > 丁番 > R
その他 > ビニトップ > 丁番 > R
現物表示
SD-565 R
取付ネジピッチ
戸車径
代替部品
軸形状
軸の長さ
軸の寸法
備考
SD-577Aと互換性有り
使用商品名
販売期間
備考欄
開始年
廃止年
この商品に対するご感想をぜひお寄せください。
新商品(97)
メーカー同等品(43)
三協アルミ(2567)
トステム(2117)
TOEX(19)
新日軽(1907)
YKK(1332)
不二サッシ(694)
立山アルミ(574)
日鐵サッシ(19)
中西産業(ナカニシ)(233)
中西金属工業(29)
シブタニ(75)
ヨコヅナ(64)
明治アルミ(101)
MIWA(353)
GOAL(68)
共栄ネット(42)
ニュースター(110)
キンマツ(90)
トップラッチ(1)
郵便受箱(6)
突出しアーム(4)
排煙(3)
目板(1)
ロッド棒(6)
フランス落し(10)
戸車(8)
丁番(20)
裏板(1)
勝手無し(1)
R(11)
L(7)
クレセント(17)
TYK(3)
締りハンドル(2)
丁番リング(4)
ケースハンドル(1)
ドアアイ(2)
ドアチェーン(2)
カムラッチハンドル(3)
増田産業(21)
フロンテア(48)
三和シャッター(143)
文化シャッター(39)
セキスイ(12)
日立ハウステック(72)
松下電工(102)
INAX(36)
TOTO(47)
ノーリツ(2)
リョービ(107)
エクセルシャノン(2)
AICA(2)
豊和(10)
その他(829)
長澤製作所(1)
NHN(2)
DAIKEN(5)
松葉(1)
四国化成(1)
ファスナーロック(1)
東工シャッター(3)
LAMP(1)
イナバ(1)
クラウン(1)
HASIDA(2)
KGパルテック(1)
ARCH(7)
ホシモト(1)
ハッピー金属(3)
リンタツ(2)
大建プラスチック(1)
スリーナイン(1)
コーワソニア(8)
ダイケン(1)
末広金具(8)
旭硝子(2)
ウッドワン(11)
日東工器(5)
日本化学産業(3)
家研販売(21)
ワーム(2)
川口技研(77)
近畿サッシ(10)
キャブレックス(46)
キンキ(15)
クボタ(2)
小松ウオール(2)
小松化成(1)
サンウエーブ(1)
サンエス(9)
スガツネ(1)
杉田エース(8)
鈴木シャッター(2)
タマヤ(3)
タキロン(1)
タチカワブラインド(4)
中西産業(ナカニシ)(152)
中西金属工業(16)
KURIKI(1)
ナカ工業(1)
ニチベイ(2)
東海アルミ(13)
ピンチブロック(5)
ビニトップ(7)
ドアガード(1)
郵便差入口(1)
郵便受箱(1)
丁番(4)
R(2)
L(2)
三井軽金属(2)
日本アルミ(1)
ナスタ(13)
ムラコシ(6)
長沢製作所(15)
ジョープリンス(9)
日昭アルミ(34)
ホクセイ(15)
昭和フロント(49)
タイコー網戸(13)
AGE(1)
ATOM(23)
ALPHA(7)
BEST(17)
CLOVER(1)
COW(16)
DIA(30)
ECLE(1)
GATE(1)
KABA(1)
KAWAJUN(2)
MK(1)
PLUS(2)
SHOWA(5)
TAJIMA(7)
WEST(49)
YAMAHA(33)
ポスト(147)
排煙窓(85)
フランス落し(145)
シャッター錠(25)
ドアクローザー(376)
ガラスルーバー用ガラス(28)
シリンダー(319)
ホールキャップ(58)
パッキン(272)
モヘヤ(60)
ドアアイ(13)
ドアガード(95)
防湿鏡(48)
その他商品カテゴリー(96)